Оформляйте заказ через сайт или email
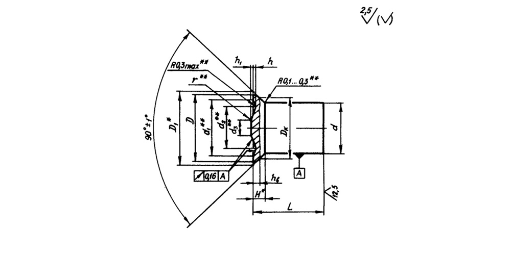
- Модель:ОСТ 1 34116-91
- 1000000

СКАЧАТЬ КАТАЛОГ КРЕПЕЖА ОСТ-1
В техническом каталоге крепежных стандартов по ОСТ-1 представлены чертежи и таблицы с размерами.
Ваша корзина пуста!
Оформляйте заказ через сайт или email
Актуальная цена будет в Вашем счете
Укажите нужную Вам длину и/или диаметр

В техническом каталоге крепежных стандартов по ОСТ-1 представлены чертежи и таблицы с размерами.
