Оформляйте заказ через сайт или email
- Модель:ГОСТ 13438-68 - Стальные шайбы сферические для станочных приспос
- 1000000
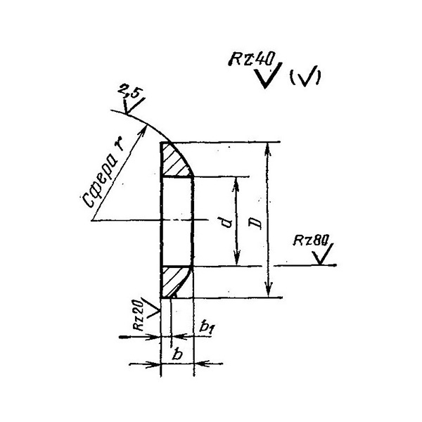
ГОСТ 13438-68 - Стальные шайбы сферические для станочных приспособлений
- Материал: сталь

| Обозначение шайб | Под стержень диаметром | D | d | b | b1 | r | Масса, кг | |
| 7019-0391 | 6 | 12 | 6.4 | 2.4 | 1.0 | 9.0 | 0.001 | |
| 0392 | 8 | 17 | 8.4 | 3.5 | 1.0 | 12.0 | 0.003 | |
| 0393 | 10 | 21 | 10.5 | 4.0 | 1.0 | 15.0 | 0.005 | |
| 0394 | 12 | 24 | 13.0 | 4.5 | 1.2 | 18.0 | 0.008 | |
| 0395 | 16 | 30 | 17.0 | 5.3 | 1.2 | 22.0 | 0.012 | |
| 0396 | 20 | 36 | 21.0 | 6.3 | 1.6 | 27.0 | 0.021 | |
| 0397 | 24 | 44 | 25.0 | 8.0 | 2.0 | 32.0 | 0.042 | |
| 0398 | 30 | 56 | 31.0 | 10.0 | 2.5 | 40.0 | 0.082 | |
| 0399 | 36 | 68 | 37.0 | 14.0 | 4.0 | 50.0 | 0.166 | |
| 0400 | 420. | 78 | 43.0 | 16.0 | 5.5 | 58.0 | 0.250 | |
| 7019-0401 | 48 | 92 | 50.0 | 21.0 | 8.0 | 67.0 | 0.525 | |
Пример условного обозначения сферической шайбы под стержень диаметром 6 мм:
Шайба 7019-0391 ГОСТ 13438-68
СКАЧАТЬ КАТАЛОГ КРЕПЕЖА ОСТ-1
В техническом каталоге крепежных стандартов по ОСТ-1 представлены чертежи и таблицы с размерами.
СКАЧАТЬ ТЕХНИЧЕСКИЙ КАТАЛОГ ОСТ-1
Каталог крепежной продукции по европейским стандартам DIN и ISO
Качественные 3D модели винтов, болтов, гаек и других изделий. Технические чертежи и таблицы с необходимой информацией.
СКАЧАТЬ КАТАЛОГ КРЕПЕЖА DIN
Каталог крепежа по стандартам ГОСТ
В каталоге представлена общая номенклатура и эскизы изделий. Более подробную информацию ищите в конструкторской документации.







